Photo Interrupter CNA1015

https://ram-electronics.odoo.com/web/image/product.template/5950/image_1920?unique=dd4092b

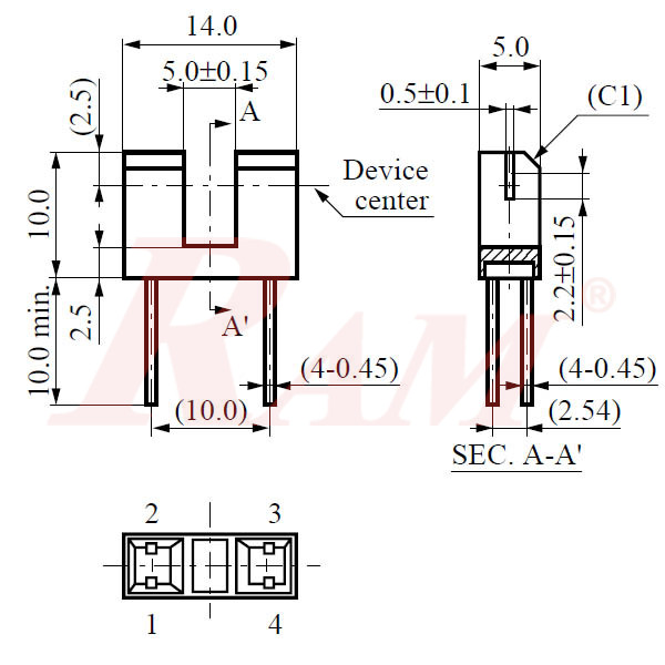
Transmissive Photosensor

30.00 EGP 30.0 EGP 30.00 EGP

30.00 EGP

Not Available For Sale

This combination does not exist.

 Pick up from RAM Store
 Shipping: 2-3 Business Days


Internal Reference: IR.MOD.4PIN

Overview

CNA1015 series is a transmissive photosensor series in which a high-efficiency GaAs infrared light emitting diode is used as the light-emitting element, and a high sensitivity phototransistor is used as the light detecting element. The two elements are arranged so as to face each other, and objects passing between them are detected.

Features:

  • Position detection accuracy: 0.3 mm
  • Gap width: 5 mm
  • Attached to PCB

Download

DATASHEET