Grey 14 pin Dupont Flat Ribbon Cable (1 Meter)

https://www.ram-e-shop.com/web/image/product.template/6592/image_1920?unique=dcd7ead

16.00 EGP 16.0 EGP 16.00 EGP 22.00 EGP

16.00 EGP 22.00 EGP

Not Available For Sale

This combination does not exist.

 Pick up from RAM Store
 Shipping: 2-3 Business Days


Internal Reference: FLAT.CABLE.GRAY.14P

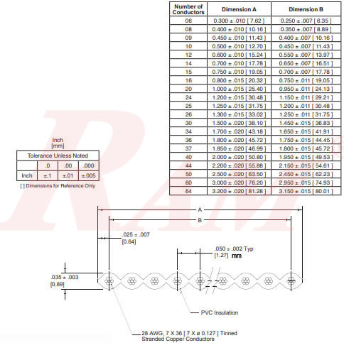
High-rating gray cable, ideal for use with IDC 2.54mm connectors and computer connections.

Features:

  • 1.27mm centers permit mass termination to a broad line of IDC connectors
  • 28 AWG wire allows for higher power levels
  • Stranded wire provides flexibility and extended product life
  • Zippable for branching or discrete termination
  • Copper Wire